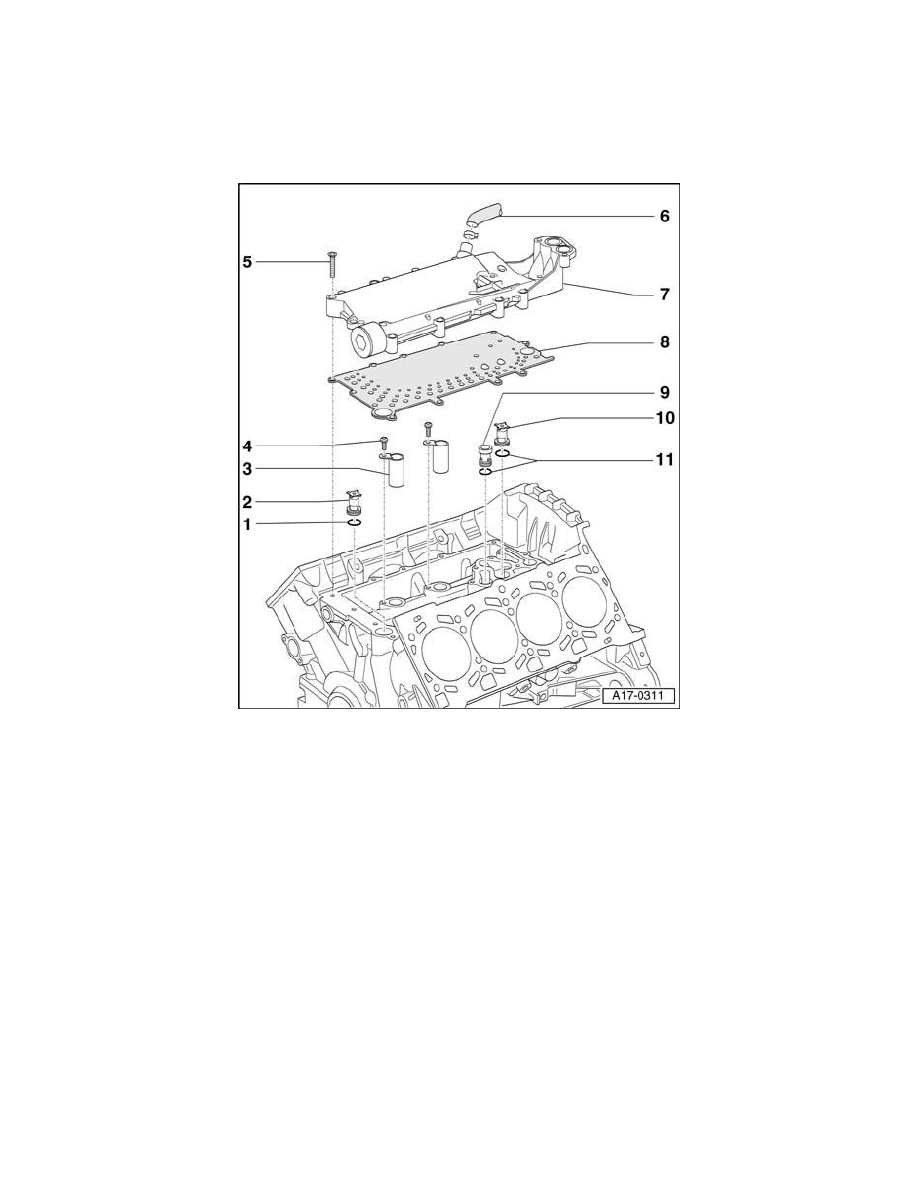
Oil Nozzle Check Valve
nozze

Oil Nozzle Check Valve

Oil Nozzle Check Valve, Indeed recently has been hunted by consumers around us, perhaps one of you personally. People now are accustomed to using the internet in gadgets to view video and image information for inspiration, and according to the name of this article I will discuss about

If the posting of this site is beneficial to our suport by spreading article posts of this site to social media marketing accounts which you have such as for example Facebook, Instagram and others or can also bookmark this blog page.

Api 6d Large Size Cf8 Non Noise Axial Flow Check Valve Lubricating Oil Seal Plug Valve Diesel Nozzle Bigger Than Unleaded

Bronze C95800 Non Slam Slient Check Valve Nozzle Check Valve Buy Air Non Return Valve Brass Check Valve Nozzle Check Valve Product On Alibaba Com Diesel Nozzle Bigger Than Unleaded

Swing Check Valve And Lift Check Valve Diesel Nozzle Bigger Than Unleaded

Audi Workshop Manuals S4 Quattro Cabriolet V8 4 2l Bhf 2008 Engine Cooling And Exhaust Engine Engine Lubrication Engine Oil Check Valve Component Information Service And Repair Diesel Nozzle Bigger Than Unleaded

Amazon Com Navarme 2x 8mm Non Return One Way 5 16 Inch Air Fuel Oil Check Valve Diesel Gas Automotive Diesel Nozzle Bigger Than Unleaded

Diesel Transfer Pump 12 V Portable Pump For Diesel Fuel Oil Electric Pump With Reliable Aluminium Diesel Nozzle Bigger Than Unleaded

In Tank Vent Check Valves Fuel Safe Mckenzie S Diesel Nozzle Bigger Than Unleaded

Axial Check Valve Mokveld Com Diesel Nozzle Bigger Than Unleaded

Porsche Check Valve For Turbo Oil Feed Line Genuine Porsche 996 107 030 78 996 107 030 78 996 107 030 78 99610703078 Pelican Parts Diesel Nozzle Bigger Than Unleaded

Https Www Valmatic Com Portals 0 Pdfs Designselectioncheckvalves Pdf Diesel Nozzle Bigger Than Unleaded

More From Diesel Nozzle Bigger Than Unleaded